李工:138-8949-5179 刘工:135-0428-8802
型号查询
轴承型号   常见搜索: 6017轴承 688a轴承 6019轴承 7014轴承 6010轴承 6906轴承
型号查询 X

轴承专区

Bearings Center

240/600 ECAK30F/W33 *轴承-SKF 240/600 ECAK30F/W33 *轴承尺寸、图纸、价格

SKF 240/600 ECAK30F/W33 *轴承

产品名称:240/600 ECAK30F/W33 *轴承 品牌:SKF
类型:SKF轴承 > 滚动轴承 > 球面滚子轴承
描述:240/600 ECAK30F/W33 *轴承是【SKF轴承 > 滚动轴承 > 球面滚子轴承】的型号,主要用在变速器、离心分离机、燃汽轮机、变速器、印刷机械、制铁制钢机械、立式电动机、洗染、起重机械、机械手等各大领域

 电话/微信:138-8949-5179

SKF 240/600 ECAK30F/W33 *轴承详细信息

240/600 ECAK30F/W33 *轴承是【SKF轴承 > 滚动轴承 > 球面滚子轴承】的型号,主要用在变速器、离心分离机、燃汽轮机、变速器、印刷机械、制铁制钢机械、立式电动机、洗染、起重机械、机械手等各大领域。

SKF 240/600 ECAK30F/W33 *轴承详细参数

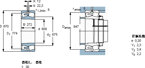
球面滚子轴承, 圆柱和圆锥孔, 圆锥型内孔, 无密封件
主要数据尺寸基本负荷额定值疲劳负荷限值额定速度体积型号
动态静态参照速度限制速度
dDBCC0Pu * - SKF Explorer 轴承
mmkNkNr/minkg-
6008702728150170001100340560510240/600 ECAK30F/W33 *

SKF 240/600 ECAK30F/W33 *轴承尺寸图纸

李工:138-8949-5179

刘工:135-0428-8802

地址:辽宁省大连经济技术开发区现代城3栋-13-13号

在线客服系统