李工:138-8949-5179 刘工:135-0428-8802
型号查询
轴承型号   常见搜索: 6001轴承 6007轴承 6016轴承 23136轴承 6013轴承 6003轴承
型号查询 X

轴承专区

Bearings Center

NUP 324 ECJ *轴承-SKF NUP 324 ECJ *轴承尺寸、图纸、价格

SKF NUP 324 ECJ *轴承

产品名称:NUP 324 ECJ *轴承 品牌:SKF
类型:SKF轴承 > 滚动轴承 > 圆柱滚子轴承
描述:NUP 324 ECJ *轴承是【SKF轴承 > 滚动轴承 > 圆柱滚子轴承】的型号,主要用在飞机喷气式发动机、机床主轴、桥式起重机、汽车、木工机械、耕耘机、燃机、医药设备、地基处理机械、坦克等各大领域

 电话/微信:138-8949-5179

SKF NUP 324 ECJ *轴承详细信息

NUP 324 ECJ *轴承是【SKF轴承 > 滚动轴承 > 圆柱滚子轴承】的型号,主要用在飞机喷气式发动机、机床主轴、桥式起重机、汽车、木工机械、耕耘机、燃机、医药设备、地基处理机械、坦克等各大领域。

SKF NUP 324 ECJ *轴承详细参数

圆柱滚子轴承, 单列, NUP 设计
主要数据尺寸基本负荷额定值疲劳负荷限值额定速度体积型号适宜的斜挡圈
动态静态参照速度限制速度型号
dDBCC0Pu * - SKF Explorer 轴承
mmkNkNr/minkg--
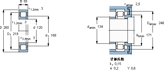
1202605561062069,52800320013,7NUP 324 ECJ *-

SKF NUP 324 ECJ *轴承尺寸图纸

李工:138-8949-5179

刘工:135-0428-8802

地址:辽宁省大连经济技术开发区现代城3栋-13-13号

在线客服系统