轴承专区
Bearings Center
SKF 218轴承
| 产品名称: | 218轴承 | 品牌: | SKF |
|---|---|---|---|
| 类型: | SKF轴承 > 滚动轴承 > 深沟球轴承 | ||
| 描述: | 218轴承是【SKF轴承 > 滚动轴承 > 深沟球轴承】的型号,主要用在变速器、差速器小齿轮轴、泵、小齿轮轴、减速装置、机床主轴、立式电动机、医药设备、挖掘机、吹氧装置等各大领域 | ||
电话/微信:138-8949-5179
SKF 218轴承详细信息
218轴承是【SKF轴承 > 滚动轴承 > 深沟球轴承】的型号,主要用在变速器、差速器小齿轮轴、泵、小齿轮轴、减速装置、机床主轴、立式电动机、医药设备、挖掘机、吹氧装置等各大领域。
SKF 218轴承详细参数
| 深沟球轴承, 单列,带装球缺口, 无密封件 | ||||||||||
| 主要数据尺寸 | 基本负荷额定值 | 疲劳负荷限值 | 额定速度 | 体积 | 型号 | |||||
| 动态 | 静态 | 参照速度 | 限制速度 | |||||||
| d | D | B | C | C0 | Pu | |||||
| mm | kN | kN | r/min | kg | - | |||||
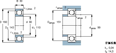
| 90 | 160 | 30 | 112 | 114 | 4,3 | 7000 | 4500 | 2,35 | 218 | |
SKF 218轴承尺寸图纸

