李工:138-8949-5179 刘工:135-0428-8802
型号查询
轴承型号   常见搜索: 6016轴承 6019轴承 6014轴承 688a轴承 6009轴承 6021轴承
型号查询 X

轴承专区

Bearings Center

240/900 ECAK30/W33轴承-SKF 240/900 ECAK30/W33轴承尺寸、图纸、价格

SKF 240/900 ECAK30/W33轴承

产品名称:240/900 ECAK30/W33轴承 品牌:SKF
类型:SKF轴承 > 滚动轴承 > 球面滚子轴承
描述:240/900 ECAK30/W33轴承是【SKF轴承 > 滚动轴承 > 球面滚子轴承】的型号,主要用在通用电动机、罗茨鼓风机、木工机械、建筑机械、印刷机械、石油钻机转环、轧钢机轧制螺杆用减速机、音像设备、轻工机械、机场加油机等各大领域

 电话/微信:138-8949-5179

SKF 240/900 ECAK30/W33轴承详细信息

240/900 ECAK30/W33轴承是【SKF轴承 > 滚动轴承 > 球面滚子轴承】的型号,主要用在通用电动机、罗茨鼓风机、木工机械、建筑机械、印刷机械、石油钻机转环、轧钢机轧制螺杆用减速机、音像设备、轻工机械、机场加油机等各大领域。

SKF 240/900 ECAK30/W33轴承详细参数

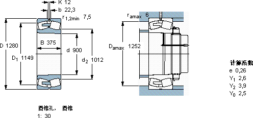
球面滚子轴承, 圆柱和圆锥孔, 圆锥型内孔, 无密封件
主要数据尺寸基本负荷额定值疲劳负荷限值额定速度体积型号
动态静态参照速度限制速度
dDBCC0Pu
mmkNkNr/minkg-
9001280375136003450020401903401545240/900 ECAK30/W33

SKF 240/900 ECAK30/W33轴承尺寸图纸

李工:138-8949-5179

刘工:135-0428-8802

地址:辽宁省大连经济技术开发区现代城3栋-13-13号

在线客服系统