李工:138-8949-5179 刘工:135-0428-8802
型号查询
轴承型号   常见搜索: 6018轴承 6028轴承 6011轴承 6001轴承 6009轴承 6003轴承
型号查询 X

轴承专区

Bearings Center

16032/W64轴承-SKF 16032/W64轴承尺寸、图纸、价格

SKF 16032/W64轴承

产品名称:16032/W64轴承 品牌:SKF
类型:SKF轴承 > 滚动轴承 > 深沟球轴承
描述:16032/W64轴承是【SKF轴承 > 滚动轴承 > 深沟球轴承】的型号,主要用在通用电动机、高频马达、燃汽轮机、前轮、破碎机、机床主轴、轧钢机轧制螺杆用减速机、化纤机械、挖掘机、机场加油机等各大领域

 电话/微信:138-8949-5179

SKF 16032/W64轴承详细信息

16032/W64轴承是【SKF轴承 > 滚动轴承 > 深沟球轴承】的型号,主要用在通用电动机、高频马达、燃汽轮机、前轮、破碎机、机床主轴、轧钢机轧制螺杆用减速机、化纤机械、挖掘机、机场加油机等各大领域。

SKF 16032/W64轴承详细参数

深沟球轴承, 单列, 含Solid Oil, 无密封件
主要数据尺寸基本负荷额定值疲劳负荷限值限制速度体积型号
动态静态
dDBCC0Pu
mmkNkNr/minkg-
1602402599,51083,2514003,7016032/W64

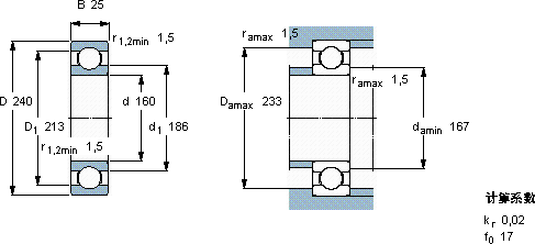
SKF 16032/W64轴承尺寸图纸

李工:138-8949-5179

刘工:135-0428-8802

地址:辽宁省大连经济技术开发区现代城3栋-13-13号

在线客服系统