李工:138-8949-5179 刘工:135-0428-8802
型号查询
轴承型号   常见搜索: 6021轴承 6304轴承 6214轴承 6006轴承 6005轴承 6001轴承
型号查询 X

轴承专区

Bearings Center

2 x 7207 BECBM *轴承-SKF 2 x 7207 BECBM *轴承尺寸、图纸、价格

SKF 2 x 7207 BECBM *轴承

产品名称:2 x 7207 BECBM *轴承 品牌:SKF
类型:SKF轴承 > 滚动轴承 > 角接触球轴承
描述:2 x 7207 BECBM *轴承是【SKF轴承 > 滚动轴承 > 角接触球轴承】的型号,主要用在后轮、机床主轴、中型及大型电动机、汽车、木工机械、汽车转向销、水力发电机、精细化工机械、土方机械、港口起重机等各大领域

 电话/微信:138-8949-5179

SKF 2 x 7207 BECBM *轴承详细信息

2 x 7207 BECBM *轴承是【SKF轴承 > 滚动轴承 > 角接触球轴承】的型号,主要用在后轮、机床主轴、中型及大型电动机、汽车、木工机械、汽车转向销、水力发电机、精细化工机械、土方机械、港口起重机等各大领域。

SKF 2 x 7207 BECBM *轴承详细参数

角接触球轴承, 单列,用于配对安装, 面对面配对
主要数据尺寸基本负荷额定值疲劳负荷限值额定速度体积型号轴承配对
动态静态参照速度限制速度
dD2BCC0Pu * - SKF Explorer 轴承
mmkNkNr/minkg--
3572345141,51,769500120000,602 × 7207 BECBM *DF

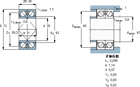
SKF 2 x 7207 BECBM *轴承尺寸图纸

李工:138-8949-5179

刘工:135-0428-8802

地址:辽宁省大连经济技术开发区现代城3栋-13-13号

在线客服系统