轴承专区
Bearings Center
240/530 ECA/W33 *轴承-SKF 240/530 ECA/W33 *轴承尺寸、图纸、价格
SKF 240/530 ECA/W33 *轴承
| 产品名称: | 240/530 ECA/W33 *轴承 | 品牌: | SKF |
|---|---|---|---|
| 类型: | SKF轴承 > 滚动轴承 > 球面滚子轴承 | ||
| 描述: | 240/530 ECA/W33 *轴承是【SKF轴承 > 滚动轴承 > 球面滚子轴承】的型号,主要用在家用电器、燃汽轮机、减速装置、后轮、铁路车辆车轴、石油钻机、塔吊、塑料、解体机、雷达等各大领域 | ||
电话/微信:138-8949-5179
SKF 240/530 ECA/W33 *轴承详细信息
240/530 ECA/W33 *轴承是【SKF轴承 > 滚动轴承 > 球面滚子轴承】的型号,主要用在家用电器、燃汽轮机、减速装置、后轮、铁路车辆车轴、石油钻机、塔吊、塑料、解体机、雷达等各大领域。
SKF 240/530 ECA/W33 *轴承详细参数
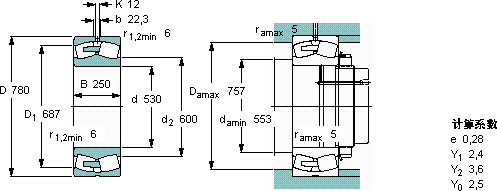
| 球面滚子轴承, 圆柱和圆锥孔, 圆柱型内孔, 无密封件 | ||||||||||
| 主要数据尺寸 | 基本负荷额定值 | 疲劳负荷限值 | 额定速度 | 体积 | 型号 | |||||
| 动态 | 静态 | 参照速度 | 限制速度 | |||||||
| d | D | B | C | C0 | Pu | * - SKF Explorer 轴承 | ||||
| mm | kN | kN | r/min | kg | - | |||||
| 530 | 780 | 250 | 6700 | 13200 | 830 | 400 | 670 | 410 | 240/530 ECA/W33 * | |
SKF 240/530 ECA/W33 *轴承尺寸图纸

