李工:138-8949-5179 刘工:135-0428-8802
型号查询
轴承型号   常见搜索: 6018轴承 6214轴承 6309轴承 6305轴承 *轴承 6010轴承
型号查询 X

轴承专区

Bearings Center

23126 CCK/W33 + H 3126轴承-SKF 23126 CCK/W33 + H 3126轴承尺寸、图纸、价格

SKF 23126 CCK/W33 + H 3126轴承

产品名称:23126 CCK/W33 + H 3126轴承 品牌:SKF
类型:SKF轴承 > 滚动轴承 > 球面滚子轴承
描述:23126 CCK/W33 + H 3126轴承是【SKF轴承 > 滚动轴承 > 球面滚子轴承】的型号,主要用在内燃机、小型汽车前轮、压缩机、差速器、振动筛、汽车转向销、挤压机、精细化工机械、土方机械、码垛机器人等各大领域

 电话/微信:138-8949-5179

SKF 23126 CCK/W33 + H 3126轴承详细信息

23126 CCK/W33 + H 3126轴承是【SKF轴承 > 滚动轴承 > 球面滚子轴承】的型号,主要用在内燃机、小型汽车前轮、压缩机、差速器、振动筛、汽车转向销、挤压机、精细化工机械、土方机械、码垛机器人等各大领域。

SKF 23126 CCK/W33 + H 3126轴承详细参数

球面滚子轴承, 带紧定套的
主要数据尺寸基本负荷额定值疲劳负荷限值额定速度体积型号
动态静态参照速度限制速度轴承 + 紧定套
d1DBCC0Pu
mmkNkNr/minkg-
11521064560780782400320012,023126 CCK/W33 + H 3126

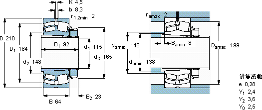
SKF 23126 CCK/W33 + H 3126轴承尺寸图纸

李工:138-8949-5179

刘工:135-0428-8802

地址:辽宁省大连经济技术开发区现代城3栋-13-13号

在线客服系统