李工:138-8949-5179 刘工:135-0428-8802
型号查询
轴承型号   常见搜索: 6309轴承 6012轴承 6024轴承 6028轴承 6030轴承 6017轴承
型号查询 X

轴承专区

Bearings Center

629-2Z *轴承-SKF 629-2Z *轴承尺寸、图纸、价格

SKF 629-2Z *轴承

产品名称:629-2Z *轴承 品牌:SKF
类型:SKF轴承 > 滚动轴承 > 深沟球轴承
描述:629-2Z *轴承是【SKF轴承 > 滚动轴承 > 深沟球轴承】的型号,主要用在变速器、各类变速器、桥式起重机、铁路车辆、各类产业用减速机、机床主轴、立式电动机、电子、挖掘机、机械手等各大领域

 电话/微信:138-8949-5179

SKF 629-2Z *轴承详细信息

629-2Z *轴承是【SKF轴承 > 滚动轴承 > 深沟球轴承】的型号,主要用在变速器、各类变速器、桥式起重机、铁路车辆、各类产业用减速机、机床主轴、立式电动机、电子、挖掘机、机械手等各大领域。

SKF 629-2Z *轴承详细参数

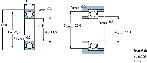
深沟球轴承, 单列, 两面防尘罩
主要数据尺寸基本负荷额定值疲劳负荷限值额定速度体积型号
动态静态参照速度限制速度
dDBCC0Pu * - SKF Explorer 轴承
mmkNkNr/minkg-
92684,751,960,08360000300000,020629-2Z *

SKF 629-2Z *轴承尺寸图纸

李工:138-8949-5179

刘工:135-0428-8802

地址:辽宁省大连经济技术开发区现代城3栋-13-13号

在线客服系统