轴承专区
Bearings Center
6312-Z *轴承-SKF 6312-Z *轴承尺寸、图纸、价格
SKF 6312-Z *轴承
| 产品名称: | 6312-Z *轴承 | 品牌: | SKF |
|---|---|---|---|
| 类型: | SKF轴承 > 滚动轴承 > 深沟球轴承 | ||
| 描述: | 6312-Z *轴承是【SKF轴承 > 滚动轴承 > 深沟球轴承】的型号,主要用在飞机喷气式发动机、机床主轴、中型及大型电动机、汽车、木工机械、耕耘机、燃机、电子、地基处理机械、坦克等各大领域 | ||
电话/微信:138-8949-5179
SKF 6312-Z *轴承详细信息
6312-Z *轴承是【SKF轴承 > 滚动轴承 > 深沟球轴承】的型号,主要用在飞机喷气式发动机、机床主轴、中型及大型电动机、汽车、木工机械、耕耘机、燃机、电子、地基处理机械、坦克等各大领域。
SKF 6312-Z *轴承详细参数
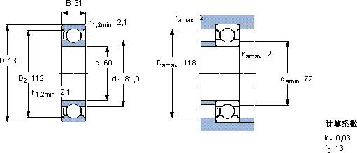
| 深沟球轴承, 单列, 单面防尘罩 | |||||||||||
| 主要数据尺寸 | 基本负荷额定值 | 疲劳负荷限值 | 额定速度 | 体积 | 型号 | ||||||
| 动态 | 静态 | 参照速度 | 限制速度 | ||||||||
| d | D | B | C | C0 | Pu | * - SKF Explorer 轴承 | |||||
| mm | kN | kN | r/min | kg | - | ||||||
| 60 | 130 | 31 | 85,2 | 52 | 2,2 | 11000 | 7000 | 1,70 | 6312-Z * | ||
SKF 6312-Z *轴承尺寸图纸

