轴承专区
Bearings Center
231/600 CAK/W33 + OH 31/600 H *轴承-SKF 231/600 CAK/W33 + OH 31/600 H *轴承尺寸、图纸、价格
SKF 231/600 CAK/W33 + OH 31/600 H *轴承
| 产品名称: | 231/600 CAK/W33 + OH 31/600 H *轴承 | 品牌: | SKF |
|---|---|---|---|
| 类型: | SKF轴承 > 滚动轴承 > 球面滚子轴承 | ||
| 描述: | 231/600 CAK/W33 + OH 31/600 H *轴承是【SKF轴承 > 滚动轴承 > 球面滚子轴承】的型号,主要用在家用电器、空气压缩机、汽车发动机、大型农业机械、造纸机械、耕耘机、塔吊、钟表、地基处理机械、雷达等各大领域 | ||
电话/微信:138-8949-5179
SKF 231/600 CAK/W33 + OH 31/600 H *轴承详细信息
231/600 CAK/W33 + OH 31/600 H *轴承是【SKF轴承 > 滚动轴承 > 球面滚子轴承】的型号,主要用在家用电器、空气压缩机、汽车发动机、大型农业机械、造纸机械、耕耘机、塔吊、钟表、地基处理机械、雷达等各大领域。
SKF 231/600 CAK/W33 + OH 31/600 H *轴承详细参数
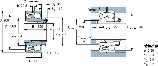
| 球面滚子轴承, 带紧定套的 | ||||||||||
| 主要数据尺寸 | 基本负荷额定值 | 疲劳负荷限值 | 额定速度 | 体积 | 型号 | |||||
| 动态 | 静态 | 参照速度 | 限制速度 | 轴承 + 紧定套 | ||||||
| d1 | D | B | C | C0 | Pu | |||||
| * - SKF Explorer 轴承 | ||||||||||
| mm | kN | kN | r/min | kg | - | |||||
| 560 | 980 | 300 | 10200 | 18000 | 1100 | 320 | 560 | 1070 | 231/600 CAK/W33 + OH 31/600 H * | |
SKF 231/600 CAK/W33 + OH 31/600 H *轴承尺寸图纸

