李工:138-8949-5179 刘工:135-0428-8802
型号查询
轴承型号   常见搜索: 6002轴承 6017轴承 6010轴承 6014轴承 71913轴承 6007轴承
型号查询 X

轴承专区

Bearings Center

2309 EKTN9轴承-SKF 2309 EKTN9轴承尺寸、图纸、价格

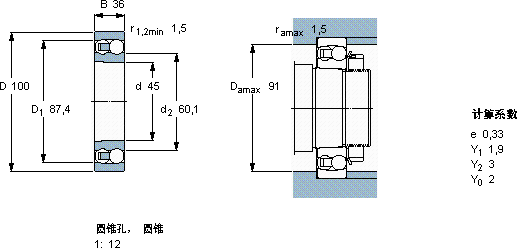
SKF 2309 EKTN9轴承

产品名称:2309 EKTN9轴承 品牌:SKF
类型:SKF轴承 > 滚动轴承 > 自调心球轴承
描述:2309 EKTN9轴承是【SKF轴承 > 滚动轴承 > 自调心球轴承】的型号,主要用在铁路车辆、机床主轴、发电机、汽车、振动筛、耕耘机、冶炼厂、塑料、地基处理机械、机械手等各大领域

 电话/微信:138-8949-5179

SKF 2309 EKTN9轴承详细信息

2309 EKTN9轴承是【SKF轴承 > 滚动轴承 > 自调心球轴承】的型号,主要用在铁路车辆、机床主轴、发电机、汽车、振动筛、耕耘机、冶炼厂、塑料、地基处理机械、机械手等各大领域。

SKF 2309 EKTN9轴承详细参数

自调心球轴承, 圆柱孔和圆锥孔, 圆锥型内孔, 无密封件
主要数据尺寸基本负荷额定值疲劳负荷限值额定速度体积型号
动态静态参照速度限制速度
dDBCC0Pu
mmkNkNr/minkg-
451003663,719,311300090001,152309 EKTN9

SKF 2309 EKTN9轴承尺寸图纸

李工:138-8949-5179

刘工:135-0428-8802

地址:辽宁省大连经济技术开发区现代城3栋-13-13号

在线客服系统