李工:138-8949-5179 刘工:135-0428-8802
型号查询
轴承型号   常见搜索: 6007轴承 6015轴承 23136轴承 2026轴承 6011轴承 6032轴承
型号查询 X

轴承专区

Bearings Center

230/800 CA/W33 *轴承-SKF 230/800 CA/W33 *轴承尺寸、图纸、价格

SKF 230/800 CA/W33 *轴承

产品名称:230/800 CA/W33 *轴承 品牌:SKF
类型:SKF轴承 > 滚动轴承 > 球面滚子轴承
描述:230/800 CA/W33 *轴承是【SKF轴承 > 滚动轴承 > 球面滚子轴承】的型号,主要用在电气装置部件、燃汽轮机、提升机、后轮、木工机械、石油钻机、船舶用螺旋桨轴、啤酒、解体机、风力发电设备等各大领域

 电话/微信:138-8949-5179

SKF 230/800 CA/W33 *轴承详细信息

230/800 CA/W33 *轴承是【SKF轴承 > 滚动轴承 > 球面滚子轴承】的型号,主要用在电气装置部件、燃汽轮机、提升机、后轮、木工机械、石油钻机、船舶用螺旋桨轴、啤酒、解体机、风力发电设备等各大领域。

SKF 230/800 CA/W33 *轴承详细参数

球面滚子轴承, 圆柱和圆锥孔, 圆柱型内孔, 无密封件
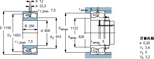
主要数据尺寸基本负荷额定值疲劳负荷限值额定速度体积型号
动态静态参照速度限制速度
dDBCC0Pu * - SKF Explorer 轴承
mmkNkNr/minkg-
800115025810000200001160280480895230/800 CA/W33 *

SKF 230/800 CA/W33 *轴承尺寸图纸

李工:138-8949-5179

刘工:135-0428-8802

地址:辽宁省大连经济技术开发区现代城3栋-13-13号

在线客服系统