轴承专区
Bearings Center
STO 35轴承-SKF STO 35轴承尺寸、图纸、价格
SKF STO 35轴承
| 产品名称: | STO 35轴承 | 品牌: | SKF |
|---|---|---|---|
| 类型: | SKF轴承 > 滚动轴承 > 滚轮轴承 | ||
| 描述: | STO 35轴承是【SKF轴承 > 滚动轴承 > 滚轮轴承】的型号,主要用在后轮、燃汽轮机、桥式起重机、后轮、造纸机械、石油钻机、水力发电机、电子、给料机械、焊接机器人等各大领域 | ||
电话/微信:138-8949-5179
SKF STO 35轴承详细信息
STO 35轴承是【SKF轴承 > 滚动轴承 > 滚轮轴承】的型号,主要用在后轮、燃汽轮机、桥式起重机、后轮、造纸机械、石油钻机、水力发电机、电子、给料机械、焊接机器人等各大领域。
SKF STO 35轴承详细参数
| 不带法兰圈支承滚子,有内圈 | |||||||||||
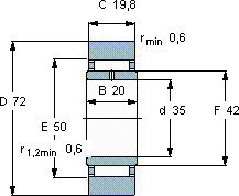
| 尺寸 | 基本负荷额定值 | 疲劳限值 | 最大径向负荷 | 限制速度 | 体积 | 型号 | |||||
| 动态 | 静态 | 动态 | 静态 | ||||||||
| D | d | C | C | C0 | Pu | Fr | F0r | ||||
| mm | kN | kN | kN | r/min | kg | - | |||||
| 72 | 35 | 19,8 | 25,5 | 40,5 | 5 | 36 | 51 | 2200 | 0,44 | STO 35 | |
SKF STO 35轴承尺寸图纸

