李工:138-8949-5179 刘工:135-0428-8802
型号查询
轴承型号   常见搜索: 6214轴承 6008轴承 6020轴承 6030轴承 6011轴承 6009轴承
型号查询 X

轴承专区

Bearings Center

604-2Z轴承-SKF 604-2Z轴承尺寸、图纸、价格

SKF 604-2Z轴承

产品名称:604-2Z轴承 品牌:SKF
类型:SKF轴承 > 滚动轴承 > 深沟球轴承
描述:604-2Z轴承是【SKF轴承 > 滚动轴承 > 深沟球轴承】的型号,主要用在飞机喷气式发动机、小型汽车前轮、纺织机械传动轴、差速器、木工机械、耕耘机、燃机、音像设备、地基处理机械、厨具设备等各大领域

 电话/微信:138-8949-5179

SKF 604-2Z轴承详细信息

604-2Z轴承是【SKF轴承 > 滚动轴承 > 深沟球轴承】的型号,主要用在飞机喷气式发动机、小型汽车前轮、纺织机械传动轴、差速器、木工机械、耕耘机、燃机、音像设备、地基处理机械、厨具设备等各大领域。

SKF 604-2Z轴承详细参数

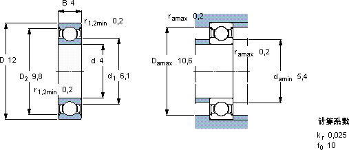
深沟球轴承, 单列, 两面防尘罩
主要数据尺寸基本负荷额定值疲劳负荷限值额定速度体积型号
动态静态参照速度限制速度
dDBCC0Pu
mmkNkNr/minkg-
41240,8060,280,012120000600000,0021604-2Z

SKF 604-2Z轴承尺寸图纸

李工:138-8949-5179

刘工:135-0428-8802

地址:辽宁省大连经济技术开发区现代城3栋-13-13号

在线客服系统