李工:138-8949-5179 刘工:135-0428-8802
型号查询
轴承型号   常见搜索: 6016轴承 6005轴承 6214轴承 23136轴承 1轴承 6017轴承
型号查询 X

轴承专区

Bearings Center

NUP 2214 ECNM *轴承-SKF NUP 2214 ECNM *轴承尺寸、图纸、价格

SKF NUP 2214 ECNM *轴承

产品名称:NUP 2214 ECNM *轴承 品牌:SKF
类型:SKF轴承 > 滚动轴承 > 圆柱滚子轴承
描述:NUP 2214 ECNM *轴承是【SKF轴承 > 滚动轴承 > 圆柱滚子轴承】的型号,主要用在通用电动机、高频马达、提升机、前轮、破碎机、机床主轴、轧钢机轧制螺杆用减速机、饮料设备、挖掘机、机场加油机等各大领域

 电话/微信:138-8949-5179

SKF NUP 2214 ECNM *轴承详细信息

NUP 2214 ECNM *轴承是【SKF轴承 > 滚动轴承 > 圆柱滚子轴承】的型号,主要用在通用电动机、高频马达、提升机、前轮、破碎机、机床主轴、轧钢机轧制螺杆用减速机、饮料设备、挖掘机、机场加油机等各大领域。

SKF NUP 2214 ECNM *轴承详细参数

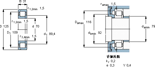
圆柱滚子轴承, 单列, NUP 设计, 于外圈的带止动槽
主要数据尺寸基本负荷额定值疲劳负荷限值额定速度体积型号适宜的斜挡圈
动态静态参照速度限制速度型号
dDBCC0Pu * - SKF Explorer 轴承
mmkNkNr/minkg--
701253118019325,5600063001,75NUP 2214 ECNM *-

SKF NUP 2214 ECNM *轴承尺寸图纸

李工:138-8949-5179

刘工:135-0428-8802

地址:辽宁省大连经济技术开发区现代城3栋-13-13号

在线客服系统