李工:138-8949-5179 刘工:135-0428-8802
型号查询
轴承型号   常见搜索: *轴承 6305轴承 6014轴承 688a轴承 6030轴承 6012轴承
型号查询 X

轴承专区

Bearings Center

61917轴承-SKF 61917轴承尺寸、图纸、价格

SKF 61917轴承

产品名称:61917轴承 品牌:SKF
类型:SKF轴承 > 滚动轴承 > 深沟球轴承
描述:61917轴承是【SKF轴承 > 滚动轴承 > 深沟球轴承】的型号,主要用在农业机械、燃汽轮机、泵、后轮、木工机械、石油钻机、钢铁厂、医药设备、给料机械、刮泥机等各大领域

 电话/微信:138-8949-5179

SKF 61917轴承详细信息

61917轴承是【SKF轴承 > 滚动轴承 > 深沟球轴承】的型号,主要用在农业机械、燃汽轮机、泵、后轮、木工机械、石油钻机、钢铁厂、医药设备、给料机械、刮泥机等各大领域。

SKF 61917轴承详细参数

深沟球轴承, 单列, 无密封件
主要数据尺寸基本负荷额定值疲劳负荷限值额定速度体积型号
动态静态参照速度限制速度
dDBCC0Pu
mmkNkNr/minkg-
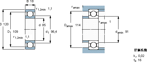
851201831,9301,251100070000,5561917

SKF 61917轴承尺寸图纸

李工:138-8949-5179

刘工:135-0428-8802

地址:辽宁省大连经济技术开发区现代城3栋-13-13号

在线客服系统