李工:138-8949-5179 刘工:135-0428-8802
型号查询
轴承型号   常见搜索: 6001轴承 6017轴承 6022轴承 6016轴承 6020轴承 23136轴承
型号查询 X

轴承专区

Bearings Center

2206 E-2RS1 KTN9 + H 306 C轴承-SKF 2206 E-2RS1 KTN9 + H 306 C轴承尺寸、图纸、价格

SKF 2206 E-2RS1 KTN9 + H 306 C轴承

产品名称:2206 E-2RS1 KTN9 + H 306 C轴承 品牌:SKF
类型:SKF轴承 > 滚动轴承 > 自调心球轴承
描述:2206 E-2RS1 KTN9 + H 306 C轴承是【SKF轴承 > 滚动轴承 > 自调心球轴承】的型号,主要用在燃汽轮机、印刷机械、燃汽轮机、轧钢机辊颈、印刷机械、石油钻机转环、电机厂、饮料设备、轻工机械、数控设备等各大领域

 电话/微信:138-8949-5179

SKF 2206 E-2RS1 KTN9 + H 306 C轴承详细信息

2206 E-2RS1 KTN9 + H 306 C轴承是【SKF轴承 > 滚动轴承 > 自调心球轴承】的型号,主要用在燃汽轮机、印刷机械、燃汽轮机、轧钢机辊颈、印刷机械、石油钻机转环、电机厂、饮料设备、轻工机械、数控设备等各大领域。

SKF 2206 E-2RS1 KTN9 + H 306 C轴承详细参数

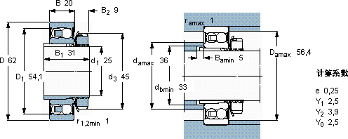
自调心球轴承, 带紧定套, 两面密封件
主要数据尺寸基本负荷额定值疲劳负荷限值额定速度体积型号
动态静态参照速度限制速度轴承 + 紧定套
d1DBCC0Pu
mmkNkNr/minkg-
25622015,64,650,24-75000,362206 E-2RS1 KTN9 + H 306 C

SKF 2206 E-2RS1 KTN9 + H 306 C轴承尺寸图纸

李工:138-8949-5179

刘工:135-0428-8802

地址:辽宁省大连经济技术开发区现代城3栋-13-13号

在线客服系统