李工:138-8949-5179 刘工:135-0428-8802
型号查询
轴承型号   常见搜索: 6020轴承 6028轴承 6010轴承 6013轴承 6011轴承 6003轴承
型号查询 X

轴承专区

Bearings Center

61802轴承-SKF 61802轴承尺寸、图纸、价格

SKF 61802轴承

产品名称:61802轴承 品牌:SKF
类型:SKF轴承 > 滚动轴承 > 深沟球轴承
描述:61802轴承是【SKF轴承 > 滚动轴承 > 深沟球轴承】的型号,主要用在建筑机械、高频马达、挖土机履带轮、前轮、破碎机、机床等的变速装置、成形机、医药设备、工程船舶、泥炮等各大领域

 电话/微信:138-8949-5179

SKF 61802轴承详细信息

61802轴承是【SKF轴承 > 滚动轴承 > 深沟球轴承】的型号,主要用在建筑机械、高频马达、挖土机履带轮、前轮、破碎机、机床等的变速装置、成形机、医药设备、工程船舶、泥炮等各大领域。

SKF 61802轴承详细参数

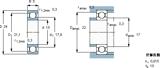
深沟球轴承, 单列, 无密封件
主要数据尺寸基本负荷额定值疲劳负荷限值额定速度体积型号
动态静态参照速度限制速度
dDBCC0Pu
mmkNkNr/minkg-
152451,560,80,03460000380000,007461802

SKF 61802轴承尺寸图纸

李工:138-8949-5179

刘工:135-0428-8802

地址:辽宁省大连经济技术开发区现代城3栋-13-13号

在线客服系统