李工:138-8949-5179 刘工:135-0428-8802
型号查询
轴承型号   常见搜索: 6017轴承 6909轴承 6309轴承 6028轴承 3214轴承 6022轴承
型号查询 X

轴承专区

Bearings Center

SILKB 18 F轴承-SKF SILKB 18 F轴承尺寸、图纸、价格

SKF SILKB 18 F轴承

产品名称:SILKB 18 F轴承 品牌:SKF
类型:SKF轴承 > 球面滑动轴承和杆端关节轴承 > 免维护的杆端关节轴承
描述:SILKB 18 F轴承是【SKF轴承 > 球面滑动轴承和杆端关节轴承 > 免维护的杆端关节轴承】的型号,主要用在燃汽轮机、印刷机械、发电机、轧钢机辊颈、各类产业用减速机、制铁制钢机械、电机厂、烟草机械、起重机械、数控设备等各大领域

 电话/微信:138-8949-5179

SKF SILKB 18 F轴承详细信息

SILKB 18 F轴承是【SKF轴承 > 球面滑动轴承和杆端关节轴承 > 免维护的杆端关节轴承】的型号,主要用在燃汽轮机、印刷机械、发电机、轧钢机辊颈、各类产业用减速机、制铁制钢机械、电机厂、烟草机械、起重机械、数控设备等各大领域。

SKF SILKB 18 F轴承详细参数

免维护杆端, 阴螺纹, 钢/PTFE复合材料
主要数据尺寸角度倾的基本负荷额定值质量型号
动态静态轴承座完全与密封件
dd2Bd3C1h1±CC0
6H
mm度数kNkg-
184723M 18x1.516,571152641,50,33SILKB 18 F

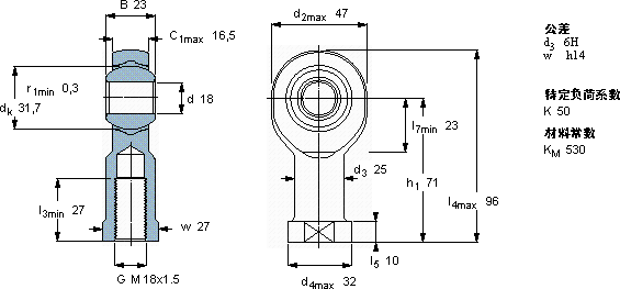
SKF SILKB 18 F轴承尺寸图纸

李工:138-8949-5179

刘工:135-0428-8802

地址:辽宁省大连经济技术开发区现代城3栋-13-13号

在线客服系统