李工:138-8949-5179 刘工:135-0428-8802
型号查询
轴承型号   常见搜索: 6030轴承 6016轴承 6002轴承 6015轴承 6909轴承 6028轴承
型号查询 X

轴承专区

Bearings Center

21307 CCK + H 307轴承-SKF 21307 CCK + H 307轴承尺寸、图纸、价格

SKF 21307 CCK + H 307轴承

产品名称:21307 CCK + H 307轴承 品牌:SKF
类型:SKF轴承 > 滚动轴承 > 球面滚子轴承
描述:21307 CCK + H 307轴承是【SKF轴承 > 滚动轴承 > 球面滚子轴承】的型号,主要用在铁路车辆、燃料喷射泵、提升机、齿轮减速装置、铁路车辆车轴、石油钻机、冶炼厂、医药设备、给料机械、正面吊等各大领域

 电话/微信:138-8949-5179

SKF 21307 CCK + H 307轴承详细信息

21307 CCK + H 307轴承是【SKF轴承 > 滚动轴承 > 球面滚子轴承】的型号,主要用在铁路车辆、燃料喷射泵、提升机、齿轮减速装置、铁路车辆车轴、石油钻机、冶炼厂、医药设备、给料机械、正面吊等各大领域。

SKF 21307 CCK + H 307轴承详细参数

球面滚子轴承, 带紧定套的
主要数据尺寸基本负荷额定值疲劳负荷限值额定速度体积型号
动态静态参照速度限制速度轴承 + 紧定套
d1DBCC0Pu
mmkNkNr/minkg-
30802165,6728,15670095000,6921307 CCK + H 307

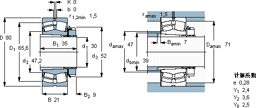
SKF 21307 CCK + H 307轴承尺寸图纸

李工:138-8949-5179

刘工:135-0428-8802

地址:辽宁省大连经济技术开发区现代城3栋-13-13号

在线客服系统