轴承专区
Bearings Center
6205 ETN9轴承-SKF 6205 ETN9轴承尺寸、图纸、价格
SKF 6205 ETN9轴承
| 产品名称: | 6205 ETN9轴承 | 品牌: | SKF |
|---|---|---|---|
| 类型: | SKF轴承 > 滚动轴承 > 深沟球轴承 | ||
| 描述: | 6205 ETN9轴承是【SKF轴承 > 滚动轴承 > 深沟球轴承】的型号,主要用在内燃机、空气压缩机、减速装置、大型农业机械、轧钢机辊道子、汽车转向销、挤压机、精细化工机械、掘进机、数控设备等各大领域 | ||
电话/微信:138-8949-5179
SKF 6205 ETN9轴承详细信息
6205 ETN9轴承是【SKF轴承 > 滚动轴承 > 深沟球轴承】的型号,主要用在内燃机、空气压缩机、减速装置、大型农业机械、轧钢机辊道子、汽车转向销、挤压机、精细化工机械、掘进机、数控设备等各大领域。
SKF 6205 ETN9轴承详细参数
| 深沟球轴承, 单列, 无密封件 | |||||||||||
| 主要数据尺寸 | 基本负荷额定值 | 疲劳负荷限值 | 额定速度 | 体积 | 型号 | ||||||
| 动态 | 静态 | 参照速度 | 限制速度 | ||||||||
| d | D | B | C | C0 | Pu | ||||||
| mm | kN | kN | r/min | kg | - | ||||||
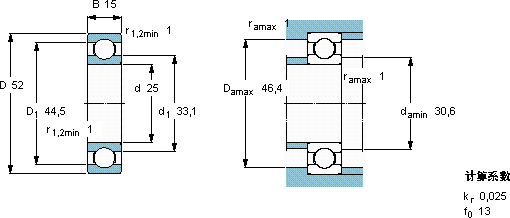
| 25 | 52 | 15 | 17,8 | 9,8 | 0,4 | 28000 | 18000 | 0,12 | 6205 ETN9 | ||
SKF 6205 ETN9轴承尺寸图纸

