轴承专区
Bearings Center
361207 R轴承-SKF 361207 R轴承尺寸、图纸、价格
SKF 361207 R轴承
| 产品名称: | 361207 R轴承 | 品牌: | SKF |
|---|---|---|---|
| 类型: | SKF轴承 > 滚动轴承 > 滚轮轴承 | ||
| 描述: | 361207 R轴承是【SKF轴承 > 滚动轴承 > 滚轮轴承】的型号,主要用在农业机械、小型汽车前轮、燃汽轮机、差速器、轧钢机辊道子、耕耘机、钢铁厂、烟草机械、地基处理机械、机场加油机等各大领域 | ||
电话/微信:138-8949-5179
SKF 361207 R轴承详细信息
361207 R轴承是【SKF轴承 > 滚动轴承 > 滚轮轴承】的型号,主要用在农业机械、小型汽车前轮、燃汽轮机、差速器、轧钢机辊道子、耕耘机、钢铁厂、烟草机械、地基处理机械、机场加油机等各大领域。
SKF 361207 R轴承详细参数
| 凸轮滚柱 | |||||||||||
| 尺寸 | 基本负荷额定值 | 疲劳限值 | 最大径向负荷 | 限制速度 | 体积 | 型号 | |||||
| 动态 | 静态 | 动态 | 静态 | ||||||||
| D | d | B | C | C0 | Pu | Fr | F0r | ||||
| mm | kN | kN | kN | r/min | kg | - | |||||
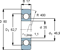
| 80 | 35 | 17 | 22,1 | 11,8 | 0,5 | 12,7 | 18 | 4500 | 0,43 | 361207 R | |
SKF 361207 R轴承尺寸图纸

