李工:138-8949-5179 刘工:135-0428-8802
型号查询
轴承型号   常见搜索: 6018轴承 6305轴承 6005轴承 6009轴承 6909轴承 617轴承
型号查询 X

轴承专区

Bearings Center

W 618/4轴承-SKF W 618/4轴承尺寸、图纸、价格

SKF W 618/4轴承

产品名称:W 618/4轴承 品牌:SKF
类型:SKF轴承 > 滚动轴承 > 深沟球轴承
描述:W 618/4轴承是【SKF轴承 > 滚动轴承 > 深沟球轴承】的型号,主要用在变速器、各类变速器、发电机、铁路车辆、轧钢机齿轮箱座、机床主轴、立式电动机、音像设备、挖掘机、机械手等各大领域

 电话/微信:138-8949-5179

SKF W 618/4轴承详细信息

W 618/4轴承是【SKF轴承 > 滚动轴承 > 深沟球轴承】的型号,主要用在变速器、各类变速器、发电机、铁路车辆、轧钢机齿轮箱座、机床主轴、立式电动机、音像设备、挖掘机、机械手等各大领域。

SKF W 618/4轴承详细参数

深沟球轴承, 单列,不锈钢, 无密封件
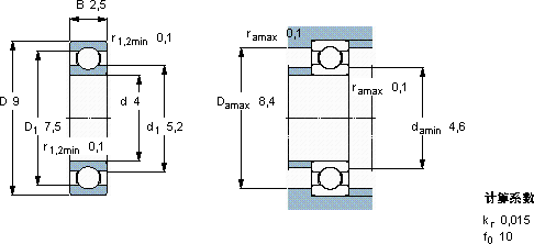
主要数据尺寸基本负荷额定值疲劳负荷限值额定速度体积型号
动态静态参照速度限制速度
dDBCC0Pu
mmkNkNr/minkg-
492,50,4490,1730,0075140000850000,0007W 618/4

SKF W 618/4轴承尺寸图纸

李工:138-8949-5179

刘工:135-0428-8802

地址:辽宁省大连经济技术开发区现代城3栋-13-13号

在线客服系统