李工:138-8949-5179 刘工:135-0428-8802
型号查询
轴承型号   常见搜索: 6016轴承 6020轴承 6019轴承 6021轴承 3214轴承 6005轴承
型号查询 X

轴承专区

Bearings Center

7210 BECBP *轴承-SKF 7210 BECBP *轴承尺寸、图纸、价格

SKF 7210 BECBP *轴承

产品名称:7210 BECBP *轴承 品牌:SKF
类型:SKF轴承 > 滚动轴承 > 角接触球轴承
描述:7210 BECBP *轴承是【SKF轴承 > 滚动轴承 > 角接触球轴承】的型号,主要用在铁路车辆、燃料喷射泵、泵、齿轮减速装置、铁路车辆车轴、石油钻机、冶炼厂、啤酒、给料机械、正面吊等各大领域

 电话/微信:138-8949-5179

SKF 7210 BECBP *轴承详细信息

7210 BECBP *轴承是【SKF轴承 > 滚动轴承 > 角接触球轴承】的型号,主要用在铁路车辆、燃料喷射泵、泵、齿轮减速装置、铁路车辆车轴、石油钻机、冶炼厂、啤酒、给料机械、正面吊等各大领域。

SKF 7210 BECBP *轴承详细参数

角接触球轴承, 单列
主要数据尺寸尺寸 [英寸]疲劳负荷限值额定速度体积型号
动态静态参照速度限制速度
dDBCC0Pu * - SKF Explorer 轴承
mmkNkNr/minkg-
50902040311,32900090000,477210 BECBP *

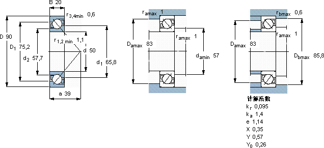
SKF 7210 BECBP *轴承尺寸图纸

李工:138-8949-5179

刘工:135-0428-8802

地址:辽宁省大连经济技术开发区现代城3栋-13-13号

在线客服系统