轴承专区
Bearings Center
16010 *轴承-SKF 16010 *轴承尺寸、图纸、价格
SKF 16010 *轴承
| 产品名称: | 16010 *轴承 | 品牌: | SKF |
|---|---|---|---|
| 类型: | SKF轴承 > 滚动轴承 > 深沟球轴承 | ||
| 描述: | 16010 *轴承是【SKF轴承 > 滚动轴承 > 深沟球轴承】的型号,主要用在内燃机、空气压缩机、燃汽轮机、大型农业机械、铁路车辆车轴、汽车转向销、挤压机、破碎、土方机械、数控设备等各大领域 | ||
电话/微信:138-8949-5179
SKF 16010 *轴承详细信息
16010 *轴承是【SKF轴承 > 滚动轴承 > 深沟球轴承】的型号,主要用在内燃机、空气压缩机、燃汽轮机、大型农业机械、铁路车辆车轴、汽车转向销、挤压机、破碎、土方机械、数控设备等各大领域。
SKF 16010 *轴承详细参数
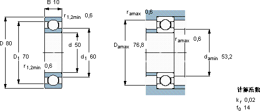
| 深沟球轴承, 单列, 无密封件 | |||||||||||
| 主要数据尺寸 | 基本负荷额定值 | 疲劳负荷限值 | 额定速度 | 体积 | 型号 | ||||||
| 动态 | 静态 | 参照速度 | 限制速度 | ||||||||
| d | D | B | C | C0 | Pu | * - SKF Explorer 轴承 | |||||
| mm | kN | kN | r/min | kg | - | ||||||
| 50 | 80 | 10 | 16,8 | 11,4 | 0,56 | 18000 | 11000 | 0,18 | 16010 * | ||
SKF 16010 *轴承尺寸图纸

