轴承专区
Bearings Center
51201 V/HR11T1轴承-SKF 51201 V/HR11T1轴承尺寸、图纸、价格
SKF 51201 V/HR11T1轴承
| 产品名称: | 51201 V/HR11T1轴承 | 品牌: | SKF |
|---|---|---|---|
| 类型: | SKF轴承 > 滚动轴承 > 工程产品 | ||
| 描述: | 51201 V/HR11T1轴承是【SKF轴承 > 滚动轴承 > 工程产品】的型号,主要用在装卸搬运机械、印刷机械、中型及大型电动机、轧钢机辊颈、各类产业用减速机、制铁制钢机械、矿山、钟表、起重机械、风力发电设备等各大领域 | ||
电话/微信:138-8949-5179
SKF 51201 V/HR11T1轴承详细信息
51201 V/HR11T1轴承是【SKF轴承 > 滚动轴承 > 工程产品】的型号,主要用在装卸搬运机械、印刷机械、中型及大型电动机、轧钢机辊颈、各类产业用减速机、制铁制钢机械、矿山、钟表、起重机械、风力发电设备等各大领域。
SKF 51201 V/HR11T1轴承详细参数
| 聚合物球轴承,推力球轴承, POM/POM/stainless steel/POM | ||||||||
| 主要数据尺寸 | 负荷能力 | 额定速度 | 体积 | 型号 | ||||
| d | D | B | 动态1) | 静态2) | 最大3) | 最大 | - | |
| 1) above 50 °C and/or above 20 % | 3) Consider load carrying | |||||||
| of max speed rating consider | capability reduction according | |||||||
| 2) above 50 °C consider | ||||||||
| mm | kN | r/min | kg | - | ||||
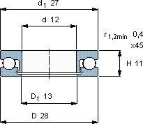
| 12 | 28 | 11 | 0,41 | 0,33 | 540 | 0,0095 | 51201 V/HR11T1 | |
SKF 51201 V/HR11T1轴承尺寸图纸

