李工:138-8949-5179 刘工:135-0428-8802
型号查询
轴承型号   常见搜索: 617轴承 6009轴承 6030轴承 6205轴承 2026轴承 6309轴承
型号查询 X

轴承专区

Bearings Center

1310 EKTN9轴承-SKF 1310 EKTN9轴承尺寸、图纸、价格

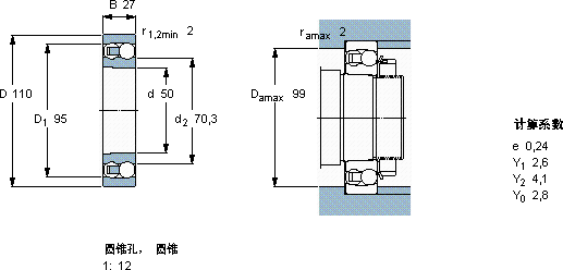
SKF 1310 EKTN9轴承

产品名称:1310 EKTN9轴承 品牌:SKF
类型:SKF轴承 > 滚动轴承 > 自调心球轴承
描述:1310 EKTN9轴承是【SKF轴承 > 滚动轴承 > 自调心球轴承】的型号,主要用在家用电器、燃料喷射泵、木工机械、齿轮减速装置、振动筛、起重机吊钩、塔吊、烟草机械、强夯机、冶金起重机等各大领域

 电话/微信:138-8949-5179

SKF 1310 EKTN9轴承详细信息

1310 EKTN9轴承是【SKF轴承 > 滚动轴承 > 自调心球轴承】的型号,主要用在家用电器、燃料喷射泵、木工机械、齿轮减速装置、振动筛、起重机吊钩、塔吊、烟草机械、强夯机、冶金起重机等各大领域。

SKF 1310 EKTN9轴承详细参数

自调心球轴承, 圆柱孔和圆锥孔, 圆锥型内孔, 无密封件
主要数据尺寸基本负荷额定值疲劳负荷限值额定速度体积型号
动态静态参照速度限制速度
dDBCC0Pu
mmkNkNr/minkg-
501102743,6140,721200080001,201310 EKTN9

SKF 1310 EKTN9轴承尺寸图纸

李工:138-8949-5179

刘工:135-0428-8802

地址:辽宁省大连经济技术开发区现代城3栋-13-13号

在线客服系统