轴承专区
Bearings Center
KMTA 6轴承-SKF KMTA 6轴承尺寸、图纸、价格
SKF KMTA 6轴承
| 产品名称: | KMTA 6轴承 | 品牌: | SKF |
|---|---|---|---|
| 类型: | SKF轴承 > 滚动轴承 > 轴承附件 | ||
| 描述: | KMTA 6轴承是【SKF轴承 > 滚动轴承 > 轴承附件】的型号,主要用在装卸搬运机械、罗茨鼓风机、提升机、建筑机械、印刷机械、制铁制钢机械、矿山、洗染、起重机械、伽玛等各大领域 | ||
电话/微信:138-8949-5179
SKF KMTA 6轴承详细信息
KMTA 6轴承是【SKF轴承 > 滚动轴承 > 轴承附件】的型号,主要用在装卸搬运机械、罗茨鼓风机、提升机、建筑机械、印刷机械、制铁制钢机械、矿山、洗染、起重机械、伽玛等各大领域。
SKF KMTA 6轴承详细参数
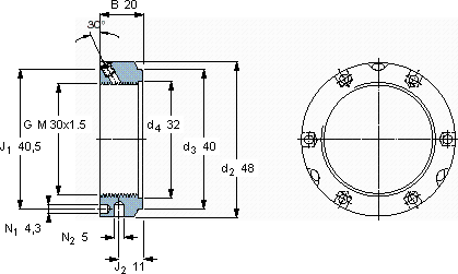
| 带锁紧销的KMTA精密锁紧定螺母 | ||||||||||
| 螺纹尺寸 | 尺寸 | 轴向负荷 | 体积 | 型号 | 平头螺钉 | |||||
| 承载能力 | 锁定螺母 | 适宜的板手 | 尺寸 | 推荐的紧固扭矩 | ||||||
| d3 | B | G | 静态 | |||||||
| - | mm | - | kN | kg | - | - | - | Nm | ||
| 30 | 40 | 20 | M 30x1.5 | 160 | 0,16 | KMTA 6 | B 45-50 | M 6 | 8 | |
SKF KMTA 6轴承尺寸图纸

