轴承专区
Bearings Center
7208轴承-UBC 7208轴承尺寸、图纸、价格
UBC 7208轴承
| 产品名称: | 7208轴承 | 品牌: | UBC |
|---|---|---|---|
| 类型: | UBC轴承 > 角接触球轴承 > 单列角接触球轴承 | ||
| 描述: | 7208轴承是【UBC轴承 > 角接触球轴承 > 单列角接触球轴承】的型号,主要用在农业机械、燃汽轮机、中型及大型电动机、后轮、振动筛、起重机吊钩、钢铁厂、玩具、强夯机、刮泥机等各大领域 | ||
电话/微信:138-8949-5179
UBC 7208轴承详细信息
7208轴承是【UBC轴承 > 角接触球轴承 > 单列角接触球轴承】的型号,主要用在农业机械、燃汽轮机、中型及大型电动机、后轮、振动筛、起重机吊钩、钢铁厂、玩具、强夯机、刮泥机等各大领域。
UBC 7208轴承详细参数
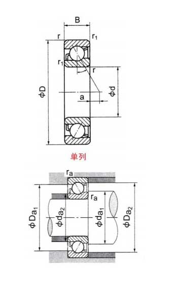
| 轴承 | |
| 型号 | 7208 |
| Principal dimensions | |
| d | 40 |
| D | 80 |
| B | 18 |
| r(min) | 1.1 |
| 1*1(min) | 0.6 |
| Load centerline | |
| mm | 8.3 |
| Basic load rating Dynamic Cr(N) | |
| Single | 35000 |
| Paired | 57500 |
| Basic load rating Static C0r(N) | |
| Single | 25200 |
| Paired | 50500 |
| Limiting speed(grease) | |
| Single | 7500 |
| Paired | 6000 |
| Limiting speed(oil) | |
| Single | 10000 |
| Paired | 8000 |
| Abutment and fillet Dimensions(mm) | |
| da1(min) | 47 |
| da2(min) | 45 |
| Da1(max) | 73 |
| Da2(max) | 75 |
| ra(max) | 1 |
| ra1(max) | 0.6 |
| Ref. Weight(kg) | |
| Single | 0.380 |
UBC 7208轴承尺寸图纸

