轴承专区
Bearings Center
UCP320轴承-UBC UCP320轴承尺寸、图纸、价格
UBC UCP320轴承
| 产品名称: | UCP320轴承 | 品牌: | UBC |
|---|---|---|---|
| 类型: | UBC轴承 > 带座外球面球轴承 > 带立式座外球面球轴承 | ||
| 描述: | UCP320轴承是【UBC轴承 > 带座外球面球轴承 > 带立式座外球面球轴承】的型号,主要用在后轮、空气压缩机、纺织机械传动轴、大型农业机械、轧钢机辊道子、耕耘机、水力发电机、医药设备、地基处理机械、焊接机器人等各大领域 | ||
电话/微信:138-8949-5179
UBC UCP320轴承详细信息
UCP320轴承是【UBC轴承 > 带座外球面球轴承 > 带立式座外球面球轴承】的型号,主要用在后轮、空气压缩机、纺织机械传动轴、大型农业机械、轧钢机辊道子、耕耘机、水力发电机、医药设备、地基处理机械、焊接机器人等各大领域。
UBC UCP320轴承详细参数
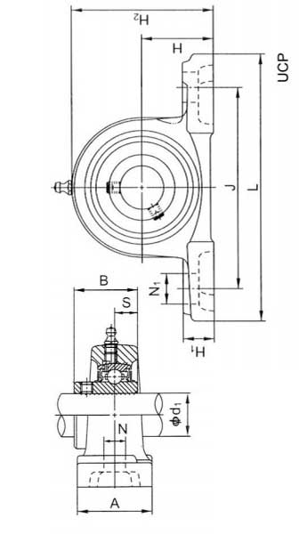
| 带座轴承 | |
| 型号 | UCP320 |
| d1 | |
| mm | 100 |
| 外形尺寸(mm) | |
| H | 140 |
| L | 490 |
| A | 120 |
| J | 380 |
| N | 36 | |
| N1 | 50 |
| H1 | 55 |
| H2 | 275 |
| B | 108 |
| S | 42 |
| 螺栓 | |
| 规格 | M30 |
| 轴承 | |
| 型号 | UC320 |
| 基本额定动载荷 Cr(N) | 173000 |
| 基本额定静载荷 Cor(N) | 140400 |
| 座 | |
| 型号 | P320 |
| 重量 | |
| kg | 34.3 |
UBC UCP320轴承尺寸图纸

