轴承专区
Bearings Center
NSR70TBC6C0+1570L直线导轨-THK NSR70TBC6C0+1570L直线导轨尺寸、图纸、价格
THK NSR70TBC6C0+1570L直线导轨
| 产品名称: | NSR70TBC6C0+1570L直线导轨 | 品牌: | THK |
|---|---|---|---|
| 类型: | THK直线导轨 > NSR-TBC系列 | ||
| 描述: | NSR70TBC6C0+1570L导轨是【THK品牌下的NSR-TBC系列】的型号,主要用在内燃机、油泵、提升机、机床主轴、铁路车辆车轴、石油钻机、挤压机、烟草机械、解体机、抓钢机等各大领域 | ||
电话/微信:138-8949-5179
THK NSR70TBC6C0+1570L直线导轨详细信息
NSR70TBC6C0+1570L导轨是【THK品牌下的NSR-TBC系列】的型号,主要用在内燃机、油泵、提升机、机床主轴、铁路车辆车轴、石油钻机、挤压机、烟草机械、解体机、抓钢机等各大领域。
THK NSR70TBC6C0+1570L直线导轨详细参数
| 型号: | NSR70TBC6C0+1570L导轨 | 类型: | NSR-TBC |
| 滑块数: | 2 | 导轨长度: | 780 |
| 宽泛型号: | NSR40TBC2C1+[240-3000/1]LP | 一般货期: | 98日 |
| 种类: | 标准型 | 套装产品/单件产品: | 套装产品 |
| 滑块形状: | 宽幅型 | 材质: | 碳素钢 |
| 导轨种类: | 标准型 | 导轨宽度 W1: | 45 |
| 安装高度 M: | 75 | 组装于单轴的LM滑块数: | 2 |
| 钢珠排列: | 自动调心 | 保持器: | 无 |
| 润滑装置: | 涂润滑油 | 径向间隙: | 轻预压 |
| 精度等级: | 精密级 | 导轨长 L: | 240~3000 |
| 滑块外形尺寸W: | 120 | 滑块外形尺寸L: | 110 |
| 滑块安装孔: | 钻孔 | 滑块安装孔数: | 4 |
| 安装孔尺寸H: | 11 | 安装孔螺纹深度: | 贯通 |
| 滚动体: | 滚珠 | 基本额定动负荷C: | 37100 |
| 基本额定静负荷 Co: | 62200 | 容许静力矩 MA: | 1700 |
| 容许静力矩 MB: | 1500 |
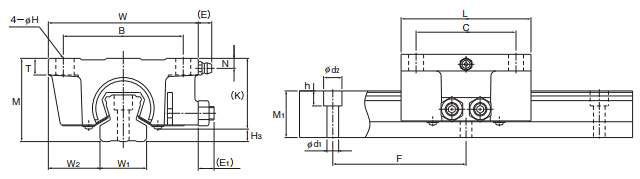
THK NSR70TBC6C0+1570L直线导轨尺寸图纸

