轴承专区
Bearings Center
HSR100HR2+1970LP直线导轨-THK HSR100HR2+1970LP直线导轨尺寸、图纸、价格
THK HSR100HR2+1970LP直线导轨
| 产品名称: | HSR100HR2+1970LP直线导轨 | 品牌: | THK |
|---|---|---|---|
| 类型: | THK直线导轨 > HSR系列 | ||
| 描述: | HSR100HR2+1970LP导轨是【THK品牌下的HSR系列】的型号,主要用在变速器、各类变速器、中型及大型电动机、铁路车辆、各类产业用减速机、机床等的变速装置、立式电动机、饮料设备、压路机、机械手等各大领域 | ||
电话/微信:138-8949-5179
THK HSR100HR2+1970LP直线导轨详细信息
HSR100HR2+1970LP导轨是【THK品牌下的HSR系列】的型号,主要用在变速器、各类变速器、中型及大型电动机、铁路车辆、各类产业用减速机、机床等的变速装置、立式电动机、饮料设备、压路机、机械手等各大领域。
THK HSR100HR2+1970LP直线导轨详细参数
| 型号: | HSR100HR2+1970LP导轨 | 类型: | HSR |
| 滑块数: | 3 | 导轨长度(mm): | 2120 |
| 宽泛型号: | HSR30R3M+[333-2180/1]LSPM | 一般货期: | 询价 |
| 种类: | 标准型 | 套装产品/单件产品: | 套装产品 |
| 滑块形状: | 标准型 | 材质: | 不锈钢 |
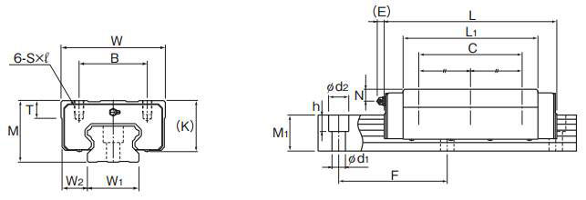
| 导轨种类: | 标准型 | 导轨宽度 W1(mm): | 28 |
| 安装高度 M(mm): | 45 | 组装于单轴的LM滑块数(个): | 3 |
| 钢珠排列: | 4列圆弧 | 保持器: | 无 |
| 润滑装置: | - | 径向间隙: | 普通 |
| 精度等级: | 超精密级 | 导轨长 L(mm): | 333~2180 |
| 滑块外形尺寸W(mm): | 60 | 滑块外形尺寸L(mm): | 98 |
| 滑块安装孔: | 螺纹孔 | 滑块安装孔数(个): | 4 |
| 安装孔尺寸S(M): | M8 | 安装孔尺寸H(mm): | - |
| 安装孔螺纹深度(mm): | 10 | 滑块尺寸L1(mm): | 70.4 |
| 滚动体: | 滚珠 | 基本额定动负荷C(N): | 28000 |
| 基本额定静负荷 Co(N): | 46800 | 容许静力矩 MA(N*M): | 524 |
| 容许静力矩 MB(N*M): | 524 | 容许静力矩 MC(N*M): | 562 |
THK HSR100HR2+1970LP直线导轨尺寸图纸

