轴承专区
Bearings Center
2SRS15MC1+70LHM直线导轨-THK 2SRS15MC1+70LHM直线导轨尺寸、图纸、价格
THK 2SRS15MC1+70LHM直线导轨
| 产品名称: | 2SRS15MC1+70LHM直线导轨 | 品牌: | THK |
|---|---|---|---|
| 类型: | THK直线导轨 > SRS系列 | ||
| 描述: | 2SRS15MC1+70LHM导轨是【THK品牌下的SRS系列】的型号,主要用在建筑机械、印刷机械、纺织机械传动轴、轧钢机辊颈、各类产业用减速机、石油钻机转环、成形机、精细化工机械、轻工机械、焊接机器人等各大领域 | ||
电话/微信:138-8949-5179
THK 2SRS15MC1+70LHM直线导轨详细信息
2SRS15MC1+70LHM导轨是【THK品牌下的SRS系列】的型号,主要用在建筑机械、印刷机械、纺织机械传动轴、轧钢机辊颈、各类产业用减速机、石油钻机转环、成形机、精细化工机械、轻工机械、焊接机器人等各大领域。
THK 2SRS15MC1+70LHM直线导轨详细参数
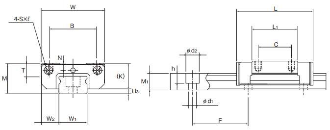
| 型号: | 2SRS15MC1+70LHM导轨 | 类型: | SRS |
| 滑块数: | 6 | 导轨长度(mm): | 265 |
| 宽泛型号: | SRS7MC1+[150-300/1]LHM | 一般货期: | 101日 |
| 种类: | 微型 | 套装产品/单件产品: | 套装产品 |
| 滑块形状: | 标准型 | 材质: | 不锈钢 |
| 导轨种类: | 标准型 | 导轨宽度 W1(mm): | 7 |
| 安装高度 M(mm): | 8 | 组装于单轴的LM滑块数(个): | 6 |
| 钢珠排列: | 标准型 | 保持器: | 有 |
| 径向间隙: | 轻预压 | 精度等级: | 高级 |
| 导轨长 L(mm): | 150~300 | 滑块外形尺寸W(mm): | 17 |
| 滑块外形尺寸L(mm): | 23.4 | 滑块安装孔: | 螺纹孔 |
| 滑块安装孔数(个): | 4 | 安装孔尺寸S(M): | M2 |
| 安装孔螺纹深度(mm): | 2.3 | 滑块尺寸L1(mm): | 13.4 |
| 防尘用标记: | - | 滚动体: | 滚珠 |
| 基本额定动负荷C(N): | 1510 | 基本额定静负荷 Co(N): | 1290 |
| 容许静力矩 MA(N*M): | 3.09 | 容许静力矩 MB(N*M): | 3.69 |
| 容许静力矩 MC(N*M): | 5.02 |
THK 2SRS15MC1+70LHM直线导轨尺寸图纸

