李工:138-8949-5179 刘工:135-0428-8802
型号查询
轴承型号   常见搜索: 23136轴承 3214轴承 6001轴承 6214轴承 6026轴承 *轴承
型号查询 X

轴承专区

Bearings Center

HSR25CB9C0+873LH直线导轨-THK HSR25CB9C0+873LH直线导轨尺寸、图纸、价格

THK HSR25CB9C0+873LH直线导轨

产品名称:HSR25CB9C0+873LH直线导轨 品牌:THK
类型:THK直线导轨 > HSR系列
描述:HSR25CB9C0+873LH导轨是【THK品牌下的HSR系列】的型号,主要用在各种产业机械、离心分离机、泵、变速器、各类产业用减速机、石油钻机转环、发电厂、音像设备、凿岩机械、塔式车库等各大领域

 电话/微信:138-8949-5179

THK HSR25CB9C0+873LH直线导轨详细信息

HSR25CB9C0+873LH导轨是【THK品牌下的HSR系列】的型号,主要用在各种产业机械、离心分离机、泵、变速器、各类产业用减速机、石油钻机转环、发电厂、音像设备、凿岩机械、塔式车库等各大领域。

THK HSR25CB9C0+873LH直线导轨详细参数

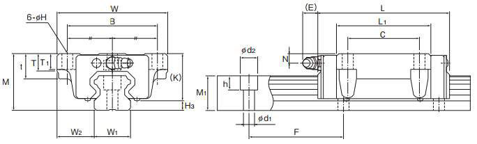
型号:HSR25CB9C0+873LH导轨类型:HSR
滑块数:3导轨长度(mm):369
宽泛型号:HSR35A3+[369-2500/1]LUP一般货期:询价
种类:标准型套装产品/单件产品:套装产品
滑块形状:宽幅型材质:碳素钢
导轨种类:标准型导轨宽度 W1(mm):34
安装高度 M(mm):48组装于单轴的LM滑块数(个):3
钢珠排列:4列圆弧保持器:
润滑装置:-径向间隙:普通
精度等级:超超精密级导轨长 L(mm):369~2500
滑块外形尺寸W(mm):100滑块外形尺寸L(mm):109.4
滑块安装孔:螺纹孔滑块安装孔数(个):4
安装孔尺寸S(M):M10安装孔尺寸H(mm):-
安装孔螺纹深度(mm):贯通滑块尺寸L1(mm):80.4
滚动体:滚珠基本额定动负荷C(N):37300
基本额定静负荷 Co(N):61100容许静力矩 MA(N*M):782
容许静力矩 MB(N*M):782容许静力矩 MC(N*M):905

THK HSR25CB9C0+873LH直线导轨尺寸图纸

李工:138-8949-5179

刘工:135-0428-8802

地址:辽宁省大连经济技术开发区现代城3栋-13-13号

在线客服系统