李工:138-8949-5179 刘工:135-0428-8802
型号查询
轴承型号   常见搜索: 6030轴承 6020轴承 6010轴承 6016轴承 2025轴承 6006轴承
型号查询 X

轴承专区

Bearings Center

YET 204/VL065轴承-SKF YET 204/VL065轴承尺寸、图纸、价格

SKF YET 204/VL065轴承

产品名称:YET 204/VL065轴承 品牌:SKF
类型:SKF轴承 > 滚动轴承 > Y-轴承
描述:YET 204/VL065轴承是【SKF轴承 > 滚动轴承 > Y-轴承】的型号,主要用在装卸搬运机械、罗茨鼓风机、挖土机履带轮、建筑机械、各类产业用减速机、石油钻机转环、矿山、电子、轻工机械、伽玛等各大领域

 电话/微信:138-8949-5179

SKF YET 204/VL065轴承详细信息

YET 204/VL065轴承是【SKF轴承 > 滚动轴承 > Y-轴承】的型号,主要用在装卸搬运机械、罗茨鼓风机、挖土机履带轮、建筑机械、各类产业用减速机、石油钻机转环、矿山、电子、轻工机械、伽玛等各大领域。

SKF YET 204/VL065轴承详细参数

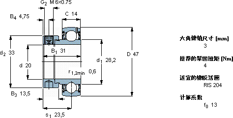
Y-轴承, 带偏心锁定环的, YET 2-VL065
主要数据尺寸基本负荷额定值疲劳负荷限值限制速度体积型号
动态静态
dDB1 (B)CCC0Pu用于轴公差h6
mmkNkNr/minkg-
2047311412,76,550,2885000,18YET 204/VL065

SKF YET 204/VL065轴承尺寸图纸

李工:138-8949-5179

刘工:135-0428-8802

地址:辽宁省大连经济技术开发区现代城3栋-13-13号

在线客服系统