轴承专区
Bearings Center
61815-2RS1轴承-SKF 61815-2RS1轴承尺寸、图纸、价格
SKF 61815-2RS1轴承
| 产品名称: | 61815-2RS1轴承 | 品牌: | SKF |
|---|---|---|---|
| 类型: | SKF轴承 > 滚动轴承 > 深沟球轴承 | ||
| 描述: | 61815-2RS1轴承是【SKF轴承 > 滚动轴承 > 深沟球轴承】的型号,主要用在燃汽轮机、各类变速器、变速器、铁路车辆、破碎机、机床等的变速装置、电机厂、啤酒、压路机、抓钢机等各大领域 | ||
电话/微信:138-8949-5179
SKF 61815-2RS1轴承详细信息
61815-2RS1轴承是【SKF轴承 > 滚动轴承 > 深沟球轴承】的型号,主要用在燃汽轮机、各类变速器、变速器、铁路车辆、破碎机、机床等的变速装置、电机厂、啤酒、压路机、抓钢机等各大领域。
SKF 61815-2RS1轴承详细参数
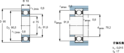
| 深沟球轴承, 单列, 两面密封件 | |||||||||||
| 主要数据尺寸 | 基本负荷额定值 | 疲劳负荷限值 | 额定速度 | 体积 | 型号 | ||||||
| 动态 | 静态 | 参照速度 | 限制速度 | ||||||||
| d | D | B | C | C0 | Pu | ||||||
| mm | kN | kN | r/min | kg | - | ||||||
| 75 | 95 | 10 | 12,7 | 14,3 | 0,61 | - | 4000 | 0,15 | 61815-2RS1 | ||
SKF 61815-2RS1轴承尺寸图纸

