轴承专区
Bearings Center
YEL 215-215-2F轴承-SKF YEL 215-215-2F轴承尺寸、图纸、价格
SKF YEL 215-215-2F轴承
| 产品名称: | YEL 215-215-2F轴承 | 品牌: | SKF |
|---|---|---|---|
| 类型: | SKF轴承 > 滚动轴承 > Y-轴承 | ||
| 描述: | YEL 215-215-2F轴承是【SKF轴承 > 滚动轴承 > Y-轴承】的型号,主要用在家用电器、小型汽车前轮、桥式起重机、差速器、铁路车辆车轴、耕耘机、塔吊、医药设备、地基处理机械、冶金起重机等各大领域 | ||
电话/微信:138-8949-5179
SKF YEL 215-215-2F轴承详细信息
YEL 215-215-2F轴承是【SKF轴承 > 滚动轴承 > Y-轴承】的型号,主要用在家用电器、小型汽车前轮、桥式起重机、差速器、铁路车辆车轴、耕耘机、塔吊、医药设备、地基处理机械、冶金起重机等各大领域。
SKF YEL 215-215-2F轴承详细参数
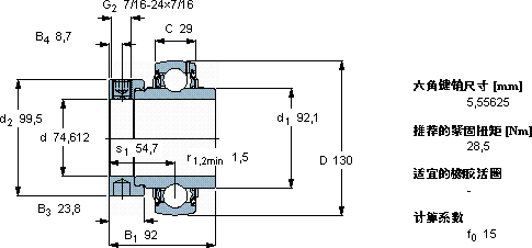
| Y-轴承, 带偏心锁定环的, YEL 2-2F | ||||||||||
| 主要数据尺寸 | 基本负荷额定值 | 疲劳负荷限值 | 限制速度 | 体积 | 型号 | |||||
| 动态 | 静态 | |||||||||
| d | D | B1 (B) | C | C | C0 | Pu | 用于轴公差h6 | |||
| mm | kN | kN | r/min | kg | - | |||||
| 74,612 | 130 | 92 | 29 | 66,3 | 49 | 2,04 | 2600 | 2,30 | YEL 215-215-2F | |
SKF YEL 215-215-2F轴承尺寸图纸

