李工:138-8949-5179 刘工:135-0428-8802
型号查询
轴承型号   常见搜索: 6011轴承 6002轴承 1轴承 6005轴承 6024轴承 2026轴承
型号查询 X

轴承专区

Bearings Center

YEL 207-2RF/VL065轴承-SKF YEL 207-2RF/VL065轴承尺寸、图纸、价格

SKF YEL 207-2RF/VL065轴承

产品名称:YEL 207-2RF/VL065轴承 品牌:SKF
类型:SKF轴承 > 滚动轴承 > Y-轴承
描述:YEL 207-2RF/VL065轴承是【SKF轴承 > 滚动轴承 > Y-轴承】的型号,主要用在变速器、罗茨鼓风机、减速装置、建筑机械、印刷机械、石油钻机转环、立式电动机、薄膜拉伸、轻工机械、正面吊等各大领域

 电话/微信:138-8949-5179

SKF YEL 207-2RF/VL065轴承详细信息

YEL 207-2RF/VL065轴承是【SKF轴承 > 滚动轴承 > Y-轴承】的型号,主要用在变速器、罗茨鼓风机、减速装置、建筑机械、印刷机械、石油钻机转环、立式电动机、薄膜拉伸、轻工机械、正面吊等各大领域。

SKF YEL 207-2RF/VL065轴承详细参数

Y-轴承, 带偏心锁定环的, YEL 2-2RF/VL065
主要数据尺寸基本负荷额定值疲劳负荷限值限制速度体积型号
动态静态
dDB1 (B)CCC0Pu用于轴公差h6
mmkNkNr/minkg-
357251,11925,515,30,65532000,55YEL 207-2RF/VL065

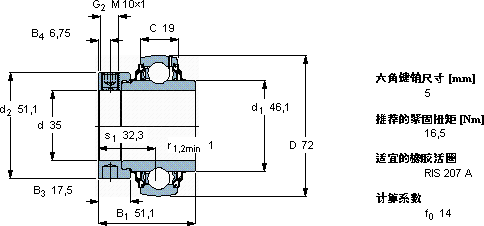
SKF YEL 207-2RF/VL065轴承尺寸图纸

李工:138-8949-5179

刘工:135-0428-8802

地址:辽宁省大连经济技术开发区现代城3栋-13-13号

在线客服系统