李工:138-8949-5179 刘工:135-0428-8802
型号查询
轴承型号   常见搜索: 6009轴承 6304轴承 6906轴承 71913轴承 6012轴承 1轴承
型号查询 X

轴承专区

Bearings Center

YEL 206-2RF/VL065轴承-SKF YEL 206-2RF/VL065轴承尺寸、图纸、价格

SKF YEL 206-2RF/VL065轴承

产品名称:YEL 206-2RF/VL065轴承 品牌:SKF
类型:SKF轴承 > 滚动轴承 > Y-轴承
描述:YEL 206-2RF/VL065轴承是【SKF轴承 > 滚动轴承 > Y-轴承】的型号,主要用在农业机械、机床主轴、压缩机、汽车、木工机械、耕耘机、钢铁厂、塑料、地基处理机械、太阳能发电设备等各大领域

 电话/微信:138-8949-5179

SKF YEL 206-2RF/VL065轴承详细信息

YEL 206-2RF/VL065轴承是【SKF轴承 > 滚动轴承 > Y-轴承】的型号,主要用在农业机械、机床主轴、压缩机、汽车、木工机械、耕耘机、钢铁厂、塑料、地基处理机械、太阳能发电设备等各大领域。

SKF YEL 206-2RF/VL065轴承详细参数

Y-轴承, 带偏心锁定环的, YEL 2-2RF/VL065
主要数据尺寸基本负荷额定值疲劳负荷限值限制速度体积型号
动态静态
dDB1 (B)CCC0Pu用于轴公差h6
mmkNkNr/minkg-
306248,41819,511,20,47539000,36YEL 206-2RF/VL065

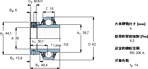
SKF YEL 206-2RF/VL065轴承尺寸图纸

李工:138-8949-5179

刘工:135-0428-8802

地址:辽宁省大连经济技术开发区现代城3栋-13-13号

在线客服系统