李工:138-8949-5179 刘工:135-0428-8802
型号查询
轴承型号   常见搜索: 6030轴承 6906轴承 6205轴承 23136轴承 6305轴承 *轴承
型号查询 X

轴承专区

Bearings Center

2 x 7072 AGM轴承-SKF 2 x 7072 AGM轴承尺寸、图纸、价格

SKF 2 x 7072 AGM轴承

产品名称:2 x 7072 AGM轴承 品牌:SKF
类型:SKF轴承 > 滚动轴承 > 角接触球轴承
描述:2 x 7072 AGM轴承是【SKF轴承 > 滚动轴承 > 角接触球轴承】的型号,主要用在飞机喷气式发动机、机床主轴、中型及大型电动机、汽车、轧钢机辊道子、汽车转向销、燃机、塑料、掘进机、坦克等各大领域

 电话/微信:138-8949-5179

SKF 2 x 7072 AGM轴承详细信息

2 x 7072 AGM轴承是【SKF轴承 > 滚动轴承 > 角接触球轴承】的型号,主要用在飞机喷气式发动机、机床主轴、中型及大型电动机、汽车、轧钢机辊道子、汽车转向销、燃机、塑料、掘进机、坦克等各大领域。

SKF 2 x 7072 AGM轴承详细参数

角接触球轴承, 单列,用于配对安装, 面对面配对
主要数据尺寸基本负荷额定值疲劳负荷限值额定速度体积型号轴承配对
动态静态参照速度限制速度
dD2BCC0Pu
mmkNkNr/minkg--
360540164842190038100013001252 × 7072 AGMDF

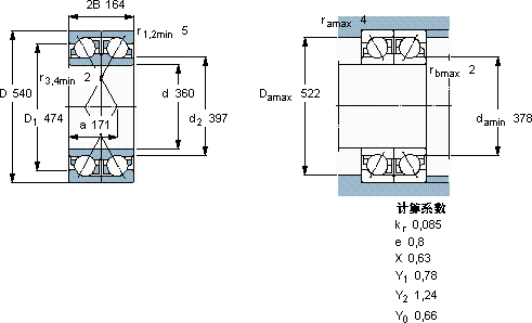
SKF 2 x 7072 AGM轴承尺寸图纸

李工:138-8949-5179

刘工:135-0428-8802

地址:辽宁省大连经济技术开发区现代城3栋-13-13号

在线客服系统