轴承专区
Bearings Center
YEL 204-012-2F轴承-SKF YEL 204-012-2F轴承尺寸、图纸、价格
SKF YEL 204-012-2F轴承
| 产品名称: | YEL 204-012-2F轴承 | 品牌: | SKF |
|---|---|---|---|
| 类型: | SKF轴承 > 滚动轴承 > Y-轴承 | ||
| 描述: | YEL 204-012-2F轴承是【SKF轴承 > 滚动轴承 > Y-轴承】的型号,主要用在内燃机、小型汽车前轮、汽车发动机、差速器、振动筛、耕耘机、挤压机、薄膜拉伸、地基处理机械、码垛机器人等各大领域 | ||
电话/微信:138-8949-5179
SKF YEL 204-012-2F轴承详细信息
YEL 204-012-2F轴承是【SKF轴承 > 滚动轴承 > Y-轴承】的型号,主要用在内燃机、小型汽车前轮、汽车发动机、差速器、振动筛、耕耘机、挤压机、薄膜拉伸、地基处理机械、码垛机器人等各大领域。
SKF YEL 204-012-2F轴承详细参数
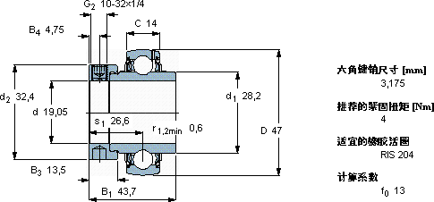
| Y-轴承, 带偏心锁定环的, YEL 2-2F | ||||||||||
| 主要数据尺寸 | 基本负荷额定值 | 疲劳负荷限值 | 限制速度 | 体积 | 型号 | |||||
| 动态 | 静态 | |||||||||
| d | D | B1 (B) | C | C | C0 | Pu | 用于轴公差h6 | |||
| mm | kN | kN | r/min | kg | - | |||||
| 19,05 | 47 | 43,7 | 14 | 12,7 | 6,55 | 0,28 | 8500 | 0,20 | YEL 204-012-2F | |
SKF YEL 204-012-2F轴承尺寸图纸

