轴承专区
Bearings Center
YAT 210轴承-SKF YAT 210轴承尺寸、图纸、价格
SKF YAT 210轴承
| 产品名称: | YAT 210轴承 | 品牌: | SKF |
|---|---|---|---|
| 类型: | SKF轴承 > 滚动轴承 > Y-轴承 | ||
| 描述: | YAT 210轴承是【SKF轴承 > 滚动轴承 > Y-轴承】的型号,主要用在电气装置部件、小型汽车前轮、桥式起重机、差速器、振动筛、汽车转向销、船舶用螺旋桨轴、烟草机械、土方机械、伽玛等各大领域 | ||
电话/微信:138-8949-5179
SKF YAT 210轴承详细信息
YAT 210轴承是【SKF轴承 > 滚动轴承 > Y-轴承】的型号,主要用在电气装置部件、小型汽车前轮、桥式起重机、差速器、振动筛、汽车转向销、船舶用螺旋桨轴、烟草机械、土方机械、伽玛等各大领域。
SKF YAT 210轴承详细参数
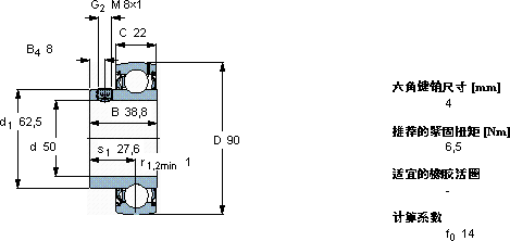
| Y-轴承, 带平头螺钉锁定的, YAT 2 | ||||||||||
| 主要数据尺寸 | 基本负荷额定值 | 疲劳负荷限值 | 限制速度 | 体积 | 型号 | |||||
| 动态 | 静态 | |||||||||
| d | D | B | C | C | C0 | Pu | 用于轴公差h6 | |||
| mm | kN | kN | r/min | kg | - | |||||
| 50 | 90 | 38,8 | 22 | 35,1 | 23,2 | 0,98 | 4000 | 0,54 | YAT 210 | |
SKF YAT 210轴承尺寸图纸

