李工:138-8949-5179 刘工:135-0428-8802
型号查询
轴承型号   常见搜索: 6005轴承 6017轴承 6001轴承 6024轴承 22222轴承 6909轴承
型号查询 X

轴承专区

Bearings Center

YAT 203轴承-SKF YAT 203轴承尺寸、图纸、价格

SKF YAT 203轴承

产品名称:YAT 203轴承 品牌:SKF
类型:SKF轴承 > 滚动轴承 > Y-轴承
描述:YAT 203轴承是【SKF轴承 > 滚动轴承 > Y-轴承】的型号,主要用在飞机喷气式发动机、燃料喷射泵、木工机械、齿轮减速装置、轧钢机辊道子、石油钻机、燃机、烟草机械、给料机械、厨具设备等各大领域

 电话/微信:138-8949-5179

SKF YAT 203轴承详细信息

YAT 203轴承是【SKF轴承 > 滚动轴承 > Y-轴承】的型号,主要用在飞机喷气式发动机、燃料喷射泵、木工机械、齿轮减速装置、轧钢机辊道子、石油钻机、燃机、烟草机械、给料机械、厨具设备等各大领域。

SKF YAT 203轴承详细参数

Y-轴承, 带平头螺钉锁定的, YAT 2
主要数据尺寸基本负荷额定值疲劳负荷限值限制速度体积型号
动态静态
dDBCCC0Pu用于轴公差h6
mmkNkNr/minkg-
174022,1129,564,750,295000,074YAT 203

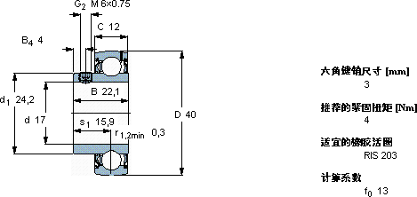
SKF YAT 203轴承尺寸图纸

李工:138-8949-5179

刘工:135-0428-8802

地址:辽宁省大连经济技术开发区现代城3栋-13-13号

在线客服系统