轴承专区
Bearings Center
WEEMB 3轴承-SKF WEEMB 3轴承尺寸、图纸、价格
SKF WEEMB 3轴承
| 产品名称: | WEEMB 3轴承 | 品牌: | SKF |
|---|---|---|---|
| 类型: | SKF轴承 > 滚动轴承 > 深沟球轴承 | ||
| 描述: | WEEMB 3轴承是【SKF轴承 > 滚动轴承 > 深沟球轴承】的型号,主要用在内燃机、燃料喷射泵、压缩机、齿轮减速装置、轧钢机辊道子、起重机吊钩、挤压机、精细化工机械、专用车、码垛机器人等各大领域 | ||
电话/微信:138-8949-5179
SKF WEEMB 3轴承详细信息
WEEMB 3轴承是【SKF轴承 > 滚动轴承 > 深沟球轴承】的型号,主要用在内燃机、燃料喷射泵、压缩机、齿轮减速装置、轧钢机辊道子、起重机吊钩、挤压机、精细化工机械、专用车、码垛机器人等各大领域。
SKF WEEMB 3轴承详细参数
| 深沟球轴承, 单列,不锈钢, 无密封件 | ||||||||||
| 主要数据尺寸 | 基本负荷额定值 | 疲劳负荷限值 | 额定速度 | 体积 | 型号 | |||||
| 动态 | 静态 | 参照速度 | 限制速度 | |||||||
| d | D | B | C | C0 | Pu | |||||
| mm | kN | kN | r/min | kg | - | |||||
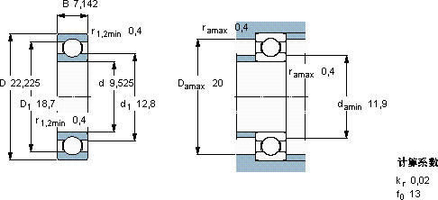
| 9,525 | 22,225 | 7,142 | 2,81 | 1,37 | 0,06 | 70000 | 45000 | 0,011 | WEEMB 3 | |
SKF WEEMB 3轴承尺寸图纸

