轴承专区
Bearings Center
WEEMB 3-2ZR轴承-SKF WEEMB 3-2ZR轴承尺寸、图纸、价格
SKF WEEMB 3-2ZR轴承
| 产品名称: | WEEMB 3-2ZR轴承 | 品牌: | SKF |
|---|---|---|---|
| 类型: | SKF轴承 > 滚动轴承 > 深沟球轴承 | ||
| 描述: | WEEMB 3-2ZR轴承是【SKF轴承 > 滚动轴承 > 深沟球轴承】的型号,主要用在各种产业机械、各类变速器、木工机械、铁路车辆、破碎机、机床主轴、发电厂、啤酒、挖掘机、塔式车库等各大领域 | ||
电话/微信:138-8949-5179
SKF WEEMB 3-2ZR轴承详细信息
WEEMB 3-2ZR轴承是【SKF轴承 > 滚动轴承 > 深沟球轴承】的型号,主要用在各种产业机械、各类变速器、木工机械、铁路车辆、破碎机、机床主轴、发电厂、啤酒、挖掘机、塔式车库等各大领域。
SKF WEEMB 3-2ZR轴承详细参数
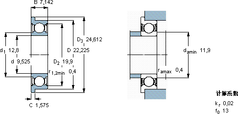
| 深沟球轴承, 单列,不锈钢,带法兰, 两面防尘罩 | ||||||||||||
| 主要数据尺寸 | 基本负荷额定值 | 疲劳负荷限值 | 额定速度 | 体积 | 型号 | |||||||
| 动态 | 静态 | 参照速度 | 限制速度 | |||||||||
| d | D | D3 | B | C | C | C0 | Pu | |||||
| mm | kN | kN | r/min | kg | - | |||||||
| 9,525 | 22,225 | 24,612 | 7,142 | 1,575 | 2,81 | 1,37 | 0,06 | 70000 | 36000 | 0,012 | WEEMB 3-2ZR | |
SKF WEEMB 3-2ZR轴承尺寸图纸

