李工:138-8949-5179 刘工:135-0428-8802
型号查询
轴承型号   常见搜索: 3214轴承 6016轴承 6021轴承 6001轴承 6018轴承 6304轴承
型号查询 X

轴承专区

Bearings Center

W 63800-2ZR轴承-SKF W 63800-2ZR轴承尺寸、图纸、价格

SKF W 63800-2ZR轴承

产品名称:W 63800-2ZR轴承 品牌:SKF
类型:SKF轴承 > 滚动轴承 > 深沟球轴承
描述:W 63800-2ZR轴承是【SKF轴承 > 滚动轴承 > 深沟球轴承】的型号,主要用在飞机喷气式发动机、燃料喷射泵、纺织机械传动轴、齿轮减速装置、振动筛、石油钻机、燃机、饮料设备、解体机、厨具设备等各大领域

 电话/微信:138-8949-5179

SKF W 63800-2ZR轴承详细信息

W 63800-2ZR轴承是【SKF轴承 > 滚动轴承 > 深沟球轴承】的型号,主要用在飞机喷气式发动机、燃料喷射泵、纺织机械传动轴、齿轮减速装置、振动筛、石油钻机、燃机、饮料设备、解体机、厨具设备等各大领域。

SKF W 63800-2ZR轴承详细参数

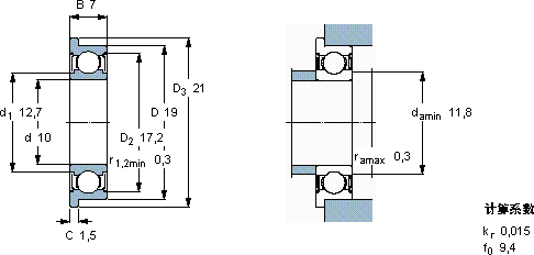
深沟球轴承, 单列,不锈钢,带法兰, 两面防尘罩
主要数据尺寸基本负荷额定值疲劳负荷限值额定速度体积型号
动态静态参照速度限制速度
dDD3BCCC0Pu
mmkNkNr/minkg-
10192171,51,140,570,02580000380000,0092W 63800-2ZR

SKF W 63800-2ZR轴承尺寸图纸

李工:138-8949-5179

刘工:135-0428-8802

地址:辽宁省大连经济技术开发区现代城3栋-13-13号

在线客服系统