李工:138-8949-5179 刘工:135-0428-8802
型号查询
轴承型号   常见搜索: 6018轴承 6015轴承 6011轴承 6008轴承 6021轴承 6032轴承
型号查询 X

轴承专区

Bearings Center

61838轴承-SKF 61838轴承尺寸、图纸、价格

SKF 61838轴承

产品名称:61838轴承 品牌:SKF
类型:SKF轴承 > 滚动轴承 > 深沟球轴承
描述:61838轴承是【SKF轴承 > 滚动轴承 > 深沟球轴承】的型号,主要用在变速器、各类变速器、木工机械、铁路车辆、破碎机、机床等的变速装置、立式电动机、医药设备、压路机、机械手等各大领域

 电话/微信:138-8949-5179

SKF 61838轴承详细信息

61838轴承是【SKF轴承 > 滚动轴承 > 深沟球轴承】的型号,主要用在变速器、各类变速器、木工机械、铁路车辆、破碎机、机床等的变速装置、立式电动机、医药设备、压路机、机械手等各大领域。

SKF 61838轴承详细参数

深沟球轴承, 单列, 无密封件
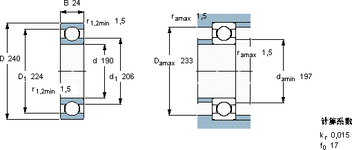
主要数据尺寸基本负荷额定值疲劳负荷限值额定速度体积型号
动态静态参照速度限制速度
dDBCC0Pu
mmkNkNr/minkg-
1902402476,1982,8530032002,6061838

SKF 61838轴承尺寸图纸

李工:138-8949-5179

刘工:135-0428-8802

地址:辽宁省大连经济技术开发区现代城3栋-13-13号

在线客服系统