轴承专区
Bearings Center
316-Z轴承-SKF 316-Z轴承尺寸、图纸、价格
SKF 316-Z轴承
| 产品名称: | 316-Z轴承 | 品牌: | SKF |
|---|---|---|---|
| 类型: | SKF轴承 > 滚动轴承 > 深沟球轴承 | ||
| 描述: | 316-Z轴承是【SKF轴承 > 滚动轴承 > 深沟球轴承】的型号,主要用在铁路车辆、燃料喷射泵、纺织机械传动轴、齿轮减速装置、轧钢机辊道子、石油钻机、冶炼厂、音像设备、给料机械、正面吊等各大领域 | ||
电话/微信:138-8949-5179
SKF 316-Z轴承详细信息
316-Z轴承是【SKF轴承 > 滚动轴承 > 深沟球轴承】的型号,主要用在铁路车辆、燃料喷射泵、纺织机械传动轴、齿轮减速装置、轧钢机辊道子、石油钻机、冶炼厂、音像设备、给料机械、正面吊等各大领域。
SKF 316-Z轴承详细参数
| 深沟球轴承, 单列,带装球缺口, 单面防尘罩 | ||||||||||
| 主要数据尺寸 | 基本负荷额定值 | 疲劳负荷限值 | 额定速度 | 体积 | 型号 | |||||
| 动态 | 静态 | 参照速度 | 限制速度 | |||||||
| d | D | B | C | C0 | Pu | |||||
| mm | kN | kN | r/min | kg | - | |||||
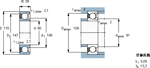
| 80 | 170 | 39 | 138 | 129 | 4,9 | 7000 | 4500 | 3,95 | 316-Z | |
SKF 316-Z轴承尺寸图纸

