李工:138-8949-5179 刘工:135-0428-8802
型号查询
轴承型号   常见搜索: 2026轴承 6008轴承 6009轴承 6015轴承 6900轴承 6010轴承
型号查询 X

轴承专区

Bearings Center

W 61902轴承-SKF W 61902轴承尺寸、图纸、价格

SKF W 61902轴承

产品名称:W 61902轴承 品牌:SKF
类型:SKF轴承 > 滚动轴承 > 深沟球轴承
描述:W 61902轴承是【SKF轴承 > 滚动轴承 > 深沟球轴承】的型号,主要用在燃汽轮机、各类变速器、泵、铁路车辆、各类产业用减速机、机床主轴、电机厂、塑料、挖掘机、抓钢机等各大领域

 电话/微信:138-8949-5179

SKF W 61902轴承详细信息

W 61902轴承是【SKF轴承 > 滚动轴承 > 深沟球轴承】的型号,主要用在燃汽轮机、各类变速器、泵、铁路车辆、各类产业用减速机、机床主轴、电机厂、塑料、挖掘机、抓钢机等各大领域。

SKF W 61902轴承详细参数

深沟球轴承, 单列,不锈钢, 无密封件
主要数据尺寸基本负荷额定值疲劳负荷限值额定速度体积型号
动态静态参照速度限制速度
dDBCC0Pu
mmkNkNr/minkg-
152873,642,160,09556000340000,016W 61902

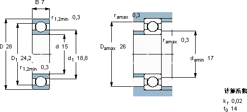
SKF W 61902轴承尺寸图纸

李工:138-8949-5179

刘工:135-0428-8802

地址:辽宁省大连经济技术开发区现代城3栋-13-13号

在线客服系统